
| 閥體 | |||
| 形 式 | 三通鑄造閥 | ||
| 公稱通徑 | 25. 32. 40. 50. 65. 80. 100. 125. 150. 200. 250. 300mm | ||
| 公稱壓力 | PN16、40、64bar | ||
| 法蘭標準 | JB/T79.1-94、79.2-94等 | ||
| 材 料 | 鑄鋼( ZG230450)、不銹鋼(ZGICr18Ni9Ti、ZGICr18Ni12M02Ti)等 | ||
| 上 閥 蓋 | 標準型:-17-230℃ 散熱型:230-450℃ 低溫型:-60--196℃ 波紋管密封型:-40-350℃ | ||
| 閥蓋形式 | 螺栓壓緊式 | ||
| 填 料 | V型聚四氟乙烯填料、含浸聚四氰乙烯石棉填料、石棉紡織填料、石墨填料 | ||
| 閥內組件 | |||
| 閥芯型式 | 雙導向雙座套筒型閥芯 | ||
| 流量特性 | 等百分比特性和線性特性 | ||
| 材 料 | 不銹鋼、不銹鋼堆司太萊合金、鈦和耐腐蝕臺金等。 | ||
電動三通調節閥工作原理動態圖 】![]() 分流閥 |
![]() 合流閥 |
| 主要技術參數 | 電源電壓:220W50Hz輸入信號:4-20mA或1-5V.DC輸出信號:4-20mA.DC | ||||||
| 防護等*:相當IP55 隔爆標志:Exd|| BT4 手操功能:手柄 | |||||||
| 環境溫度:-25 +70℃ 環境濕度:≤95% | |||||||
| 額定流量系數Kv、額定行程、配用執行機構型號、允許壓差 | |||||||||||||
| 公稱通徑DN(mm) | 25 | 32 | 40 | 50 | 65 | 80 | 100 | 125 | 150 | 200 | 250 | 300 | |
| 額定流量系數Kv | 合流 | 8.5 | 12 | 21 | 34 | 53 | 85 | 135 | 210 | 340 | 535 | 800 | 1360 |
| 分流 | - | - | - | - | - | 85 | 135 | 210 | 340 | 535 | 800 | 1360 | |
| 行程L (mm) | 16 | 25 | 40 | 60 | 100 | ||||||||
| 允許壓差( bar) | DK2-310 | DK2-310 | DK2-410 | DK2-410 | DK2-510 | ||||||||
| 配用執行機構型號 | 32 | 22 | 22 | 14 | 13.8 | 9.4 | 6.1 | 5.1 | 3.6 | 2 | 1.9 | 1.3 | |

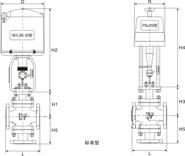
| 外形尺寸及重量 單位:mm | |||||||||||
| 公稱通徑 | 25 | 32 | 40 | 50 | 65 | 80 | 100 | 125 | 150 | 200 | |
| L | 185 | 220 | 222 | 250 | 275 | 300 | 350 | 410 | 450 | 550 | |
| D | 255 | 255 | 255 | 255 | 255 | 255 | 255 | 310 | 310 | 310 | |
| R | 177 | 177 | 177 | 177 | 177 | 177 | 177 | 226 | 226 | 226 | |
| H1 | 155 | 175 | 180 | 200 | 235 | 250 | 260 | 330 | 350 | 420 | |
| H2 | 373 | 495 | 495 | 495 | 700 | 700 | 700 | 725 | 725 | 725 | |
| H3 | 181 | 195 | 200 | 220 | 262 | 277 | 287 | 357 | 377 | 447 | |
| H4 | 459 | 459 | 459 | 459 | 520 | 520 | 520 | 570 | 570 | 570 | |
| H5 | 135 | 145 | 160 | 170 | 190 | 200 | 220 | 280 | 320 | 380 | |
| 重量(KG) | 13 | 17 | 19 | 20 | 38 | 50 | 60 | 84 | 87 | 110 | |











